くし形電極(電気化学測定チップ)
ジオマテックのくし形電極は、これまで培ってきた成膜技術とエッチング技術を組み合わせることで、幅広い電極材料が選択できます。ご希望の素材、形状で作成することが可能です。
ジオマテックでは、実験などに使用してみたいという時に、手軽にお試しいただけるカタログ品をご用意いたしました。

製品の使用例
- 電気化学や有機半導体計測用電極
- 誘電率測定用電極
- 各種センサー用電極(バイオセンサー・化学センサー など)
材質
ガラス(無アルカリガラス)
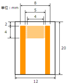
製品概要図
20mm X 12mm X 0.7t
注意事項
- この製品は研究・開発用途に使用されることを意図しています。
- 本製品はガラス製です。破損、怪我の恐れがありますので、取扱いにはご注意下さい。
- 計測用のケーブルはお客様でご用意ください。
- お客様の責任において適合性評価を行った上でご使用ください。
- 本カタログ記載の製品仕様は、予告なしに変更することがありますのでご了承ください。
- 製品到着後の注意点
- 出荷前にクリーンルーム内でプレ洗浄を実施していますが、必要に応じて洗浄を実施してください。 - 保管方法の注意点
- 長期保管の場合はケースに入れたまま、高温高湿になるような劣悪な環境を避け、清浄な雰囲気で保管してください。
- 保障期間は3ヶ月です。
仕様・価格
注文方法、発送日、支払い方法の詳細はこちら(送料は無料です)
| 品番 | 品名 | 膜種 | サイズ [mm] |
線幅 [μm] |
間隔 [μm] |
長さ [mm] |
対本数 [本] |
膜厚 [nm] |
販売価格 (1枚入り) |
購入数 (小計) |
|---|---|---|---|---|---|---|---|---|---|---|
| 0101 | GMT-AU10/5 | Au | 20 × 12 × 0.7t | 10 | 5 | 5 | 132 | 100 | 11,550円 (税込) |
(0円) |
| 0102 | GMT-PT10/5 | Pt | 11,550円 (税込) |
(0円) |
||||||
| 0103 | GMT-ITO10/5 | ITO | 8,690円 (税込) |
(0円) |
購入数選択後、下記入力フォームへお進みください。
- ※膜厚データは参考値です。なお、Au、Pt電極にはガラス基板との密着層にTi(10nm程度)層が成膜されています。
- ※お客様の仕様に合わせたカスタマイズも別途承っております。成膜からパターニングまで一貫生産しております。電極、微細加工に関することなどもお気軽にお問い合せ下さい。
入力フォーム
<ご注文/お問い合わせをいただく前のご注意>
下記事項にご同意のうえ、ご注文/お問い合わせください。
- お客様からいただく個人情報は、お問い合わせ・ご質問へのご回答、当社において提供される各種サービスや製品に関するご案内および提供のために使用させていただきます。
- 利用目的の範囲内でお客様の個人情報を委託業者が使用することがございます。
- お客様は、お客様ご本人の個人情報について、開示、訂正、削除をご請求いただけます。その際はこの入力フォームからご連絡ください。
- お問い合わせの内容によっては、ご返信、ご回答できない場合がございます。
- 当社の個人情報の取り扱いについての基本方針につきましては、「プライバシーポリシー」のページをご覧ください。
- 土曜・日曜・祝日、ゴールデンウィーク・年末年始休暇ほか、当社休業日にいただいたお問い合わせについては、翌営業日以降の回答となります。
関連情報
-
ジオマテックの強み見えないほど“薄い膜”で、新たなアイデアの閃きを
-
世界に誇る工場・設備業界最大規模の設備で、年間6,500以上の案件に対応
-
多種多様な薄膜製造装置81台の装置で、多種多様なニーズの薄膜を製造
トピックス
-

スパッタGaN薄膜の成膜
結晶性・応力を精密に制御した高品質なGaN系薄膜を安定して成膜し、基礎研究から量産試作までを強力にサポートします。
- 詳細を見る
-

DepoLink:設備利用・内製支援
DepoSupport:設備メンテ・改造支援専門技術者が伴走支援し課題解決をサポート。材料開発や装置導入など様々なニーズにお応えします。
- 詳細を見る
-

ウエハ加工サービス
シリコンウエハ等のウエハ基板に対する成膜、フォトリソ、エッチングといった半導体プロセスの受託加工サービスを提供しています。
- 詳細を見る
-

大型基板への成膜特集
大型基板への薄膜コーティング事例をご紹介します。
- 詳細を見る
-

エネルギー分野への薄膜特集
エネルギー分野における薄膜の活用事例をご紹介します。
- 詳細を見る
-

ロールtoロール (Roll to Roll) 成膜
フレキシブルで薄いフィルムをロール状に大量生産可能な、ロールtoロール (Roll to Roll) 成膜。太陽電池、5Gアンテナなど、フレキシブルデバイスの製造に
- 詳細を見る
-

【導入事例】LiDAR用アウターカバー向け 透明ヒーター
多彩な薄膜ソリューションでセンシングデバイスの進化を支える
- 詳細を見る
-

銅薄膜(Cu薄膜)特集
需要増加で価格上昇している銅。その銅薄膜(Cu薄膜)の実績例をご紹介します。
- 詳細を見る
-

視界を確保しながら加熱できる『透明ヒーター』
車載機器センサーや監視カメラなど、クリアな視界が必要な箇所の防曇や融雪に
- 詳細を見る
-

次世代モスアイ構造フィルム 『g.moth®』
超低反射・超撥水。そこに何もないかのような透明な視界をショーウィンドウなどに
- 詳細を見る
-

【導入事例】視線誘導灯・WEBカメラ向け 着雪対策用透明ヒーター
多量降雪、吹雪による視認性の低下を防ぎ高速道路利用者の安全を守る
- 詳細を見る